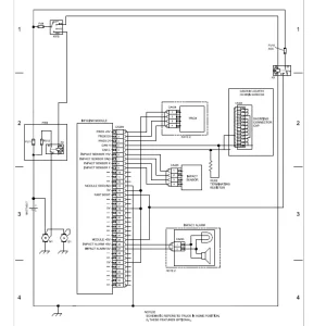
Download CROWN C-5 LPG Cushion forklift repair and service manual. View the parts book on your tablet or your smartphone. You may also download parts catalog and user manual as pdf. Take a look at the hydraulic system scheme, electrical wiring diagram, circuit schematic and fault-error codes. And this way you troubleshoot in your workshop.
Crown C-5 LPG Cushion Manual
$20.00
C-5 LPG Cushion
PRODUCT CONTENT:
Brochure (PDF)
Service Manual (4024AN10 Engine)(PDF-866 Pages)
Service Manual (4024AN20 Engine)(PDF-561 Pages)
Service Manual (4024AN25 Engine)(PDF-448 Pages)
Parts Book 1 (PDF-1321 Pages)
Parts Book 2 (PDF-1082 Pages)





















