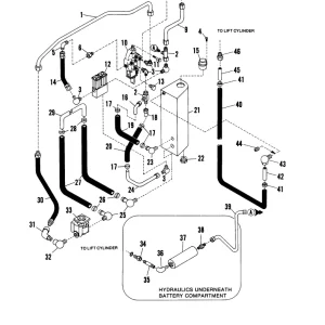
Download CROWN W SERIES electric stacker repair and service manual. View the parts book on your tablet or your smartphone. You may also download parts catalog and user manual as pdf. Take a look at the hydraulic system scheme, electrical wiring diagram, circuit schematic and fault-error codes. And this way you troubleshoot in your workshop.
Crown W Series Manual
$27.00
W(HD) Series
PRODUCT CONTENT:
Service Manual (PDF-282 Pages)
Parts Book (PDF-735 Pages)



















