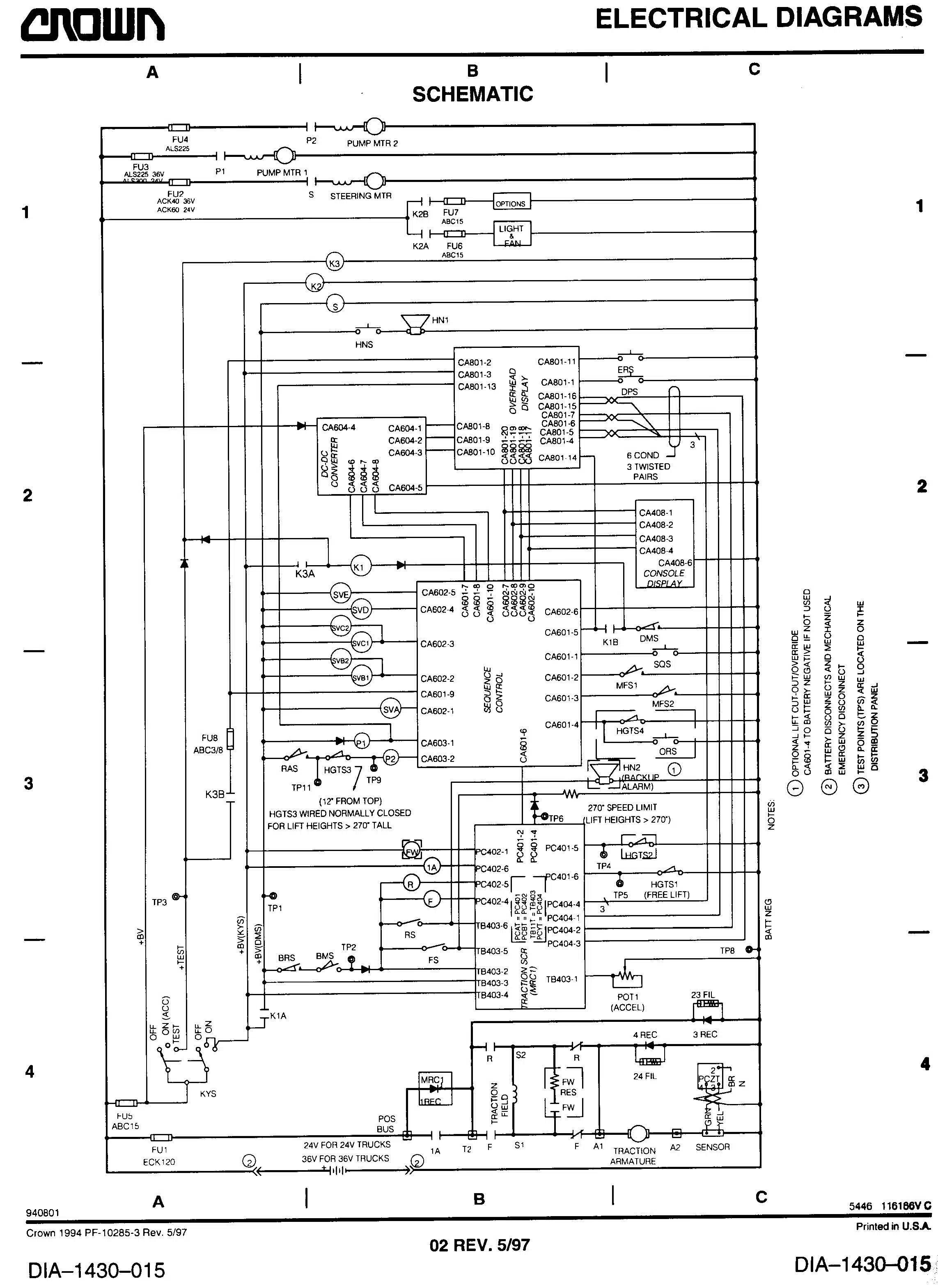
Download CROWN RD3000 reach truck repair and service manual. View the parts book on your tablet or your smartphone. You may also download parts catalog and user manual as pdf. Take a look at the hydraulic system scheme, electrical wiring diagram, circuit schematic and fault-error codes. And this way you troubleshoot in your workshop.
Crown RD3000 Manual
$24.00
RD3000
PRODUCT CONTENT:
Service Manual (PDF-243 Pages)
Parts Book (PDF-364 Pages)




















