The Hyundai 100D-9 Manual is an essential technical resource for servicing and maintaining this modern diesel forklift model. Built for demanding industrial applications, the 100D-9 combines power and efficiency, and proper documentation is key to preserving its performance. This comprehensive PDF manual provides structured instructions for safe operation, detailed maintenance, and accurate troubleshooting.
Supplied in convenient digital PDF format, the manual can be viewed on a phone, tablet, laptop, or desktop PC without special software. Technicians can access diagrams and service procedures directly at the job site or inside the workshop. The searchable file format allows quick navigation to specific topics, improving repair speed and workflow efficiency.
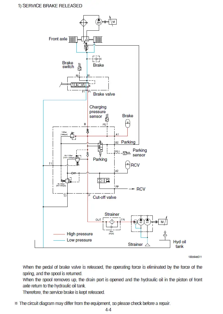
Inside, users typically find engine service procedures, hydraulic system schematics, electrical wiring diagrams, safety precautions, inspection routines, and torque specifications. Organized sections make it easy to locate relevant information when diagnosing issues or performing scheduled maintenance.
For forklift technicians and equipment managers, the Hyundai 100D-9 Manual serves as a dependable digital reference that supports long-term reliability and professional service standards.




















