Download JUNGHEINRICH EFG540K forklift parts and repair manual. View operation and maintenance book on your tablet or your smartphone. You may also download parts diagram and operator manual as pdf. Take a look at the hydraulic system scheme, electrical wiring diagram, circuit schematic and fault-error codes. And this way you troubleshoot in your workshop.
Jungheinrich EFG540K Manual
$23.00
EFG540K
PRODUCT CONTENT:
User Manual (PDF-268 Pages)
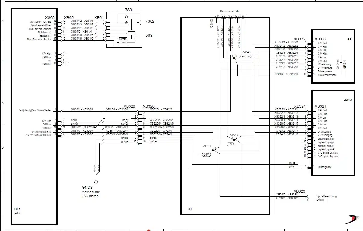
Circuit Diagram (PDF)
Error Codes (PDF)
Parameters (PDF)














