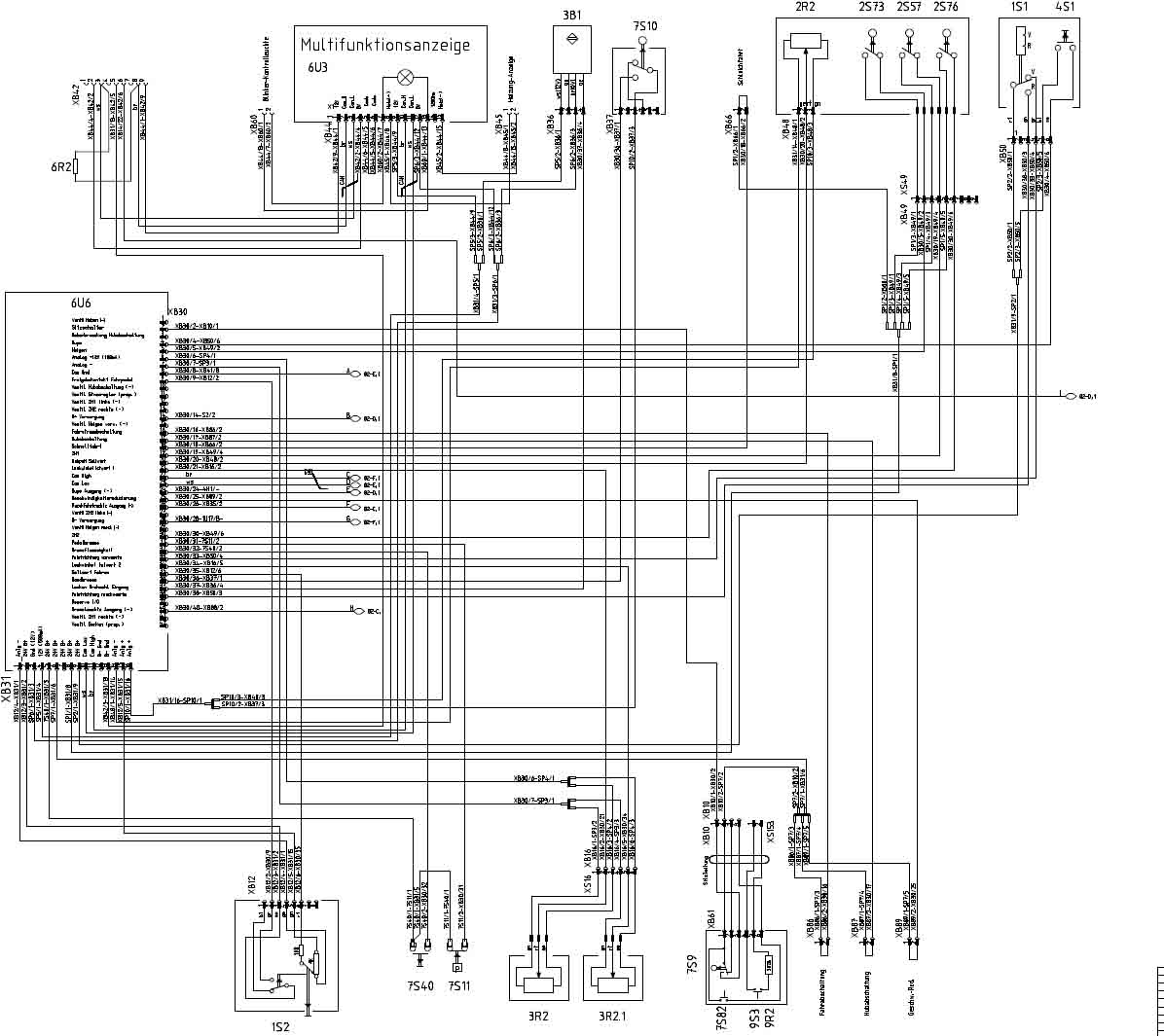
Download JUNGHEINRICH EFG113 forklift workshop and repair manual. View operation and maintenance book on your tablet or your smartphone. You may also download parts catalog and user manual as pdf. Take a look at the hydraulic system scheme, electrical wiring diagram, circuit schematic and fault-error codes. And this way you troubleshoot in your workshop.
Jungheinrich EFG113 Manual
$30.00
EFG113
PRODUCT CONTENT:
User Manual (PDF-166 Pages)
Service Manual (PDF-345 Pages)
Service Manual (PDF-255 Pages)
Parts Book (PDF-257 Pages)















