Hyundai 18D-9S Manual

$18.00

15D-9S/18D-9S/20D-9S
PRODUCT CONTENT:
User Manual (PDF-181 Pages)
Service Manual (PDF-252 Pages)
somdn_product_page
Want a discount? Become a member, sign up for a subscription plan.

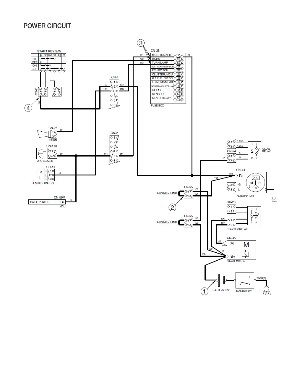
Download hyundai 18d-9s forklift workshop and service instructions manual. View operation and maintenance book on your tablet or your smartphone. You may also download parts catalog and user manual as pdf. Take a look at the hydraulic system scheme, electrical wiring diagram, circuit schematic and fault-error codes. And this way you troubleshoot in your workshop.

POWER TYPE

Shopping Cart
Scroll to Top